
全國服務熱線



19926637039
一、防水防爆型拉繩式位移傳感器產品特征:
1、防水防爆型(磁感應)拉繩位移傳感器,采用米朗公司自主研發多圈磁感應絕 對值編碼器,內部使用高強度灌封膠封裝,從而保證磁感應絕 對值編碼器能夠在水下長期正常工作。
2、整個產品零部件均采用在水內永不生銹材料制作,如:不銹鋼發條和拉繩,鋁合金外殼和線輪,塑料發條外殼,陶瓷軸承。
3、S機座和M機座系列產品往復運動的瞬間加速不可超過1米/秒;L機座和XL機座系列產品往復運動的瞬間加速不可超過0.5米/秒;否則將導致鋼索斷裂。
二、防水防爆型拉繩式位移傳感器技術參數:


三、防水防爆型拉繩式位移傳感器接線方式:(具體接線方式以實物為準)

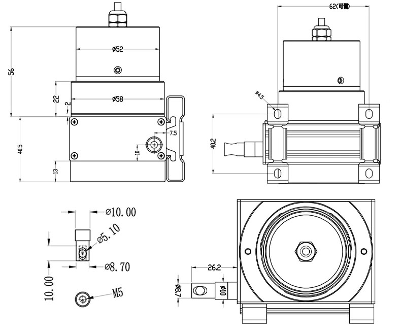
四、產品安裝尺寸:

五、選型指導:




